Парова шафа DGC 7860 HCX Pro чорний обсидіан
A+ | Гарантія 2 роки | Офіційний сервіс | Об'єм робочої камери 68л | Дизайн ArtLine | Touch2Open | DualSteam | Сенсорне управління MTouch | Функція самоочищення HydroClean | Функція Crisp для утворення хрусткої скоринки | Функція підтримки страви теплим Keeping warm | 20 персональних програм
Документація
Дизайн
Серія | ArtLine |
Колір приладу | Чорний обсидіан |
Тип дисплея | MTouch |
Додаткові функції
Функція "Швидке розігрівання" | Так |
Персональні програми | 20 |
Функція Підтримання тепла | Так |
Приготування страв меню | Так |
Індивідуальні настройки вологості при комбінованому приготуванні | Так |
Зручні програми очищення | Так |
Приготування страв меню на пару | Так |
DualSteam | Так |
Програмована тривалість приготування | Так |
Рекомендована температура | Так |
Індикація фактичної температури | Так |
Система охолодження пари | Так |
Зливний фільтр | Так |
Приготування на чотирьох рівнях одночасно | Так |
Функція "Попередній нагрів" | Так |
Автоматичні програми | Так |
Функція "Mix & Match" | Так |
Сенсор вологості | Так |
Автоматичні програми з можливістю індивідуального налаштування | Так |
Індикація бажаної температури | Так |
Приготування незалежно від кількості | Так |
Індивідуальні настройки | Так |
Функція Crisp для утворення хрусткої скоринки | Так |
Особливості конструкції
Покриття робочої камери | Perfect Clean |
Розташування петель дверцят | Низ |
Точне електронне регулювання температури духової шафи (° С) | 30-225 |
Точне електронне регулювання температури пароварки (° С) | 40-100 |
Зовнішній парогенератор | Так |
Ємність для води | Так |
Функція відведення пари перед закінченням приготування | Так |
Ліфтова панель управління | Так |
Підсвічування | BrilliantLight |
Ємність для води (л) | 1,4 |
Потужність парогенератора (кВт) | 3,3 |
Установка
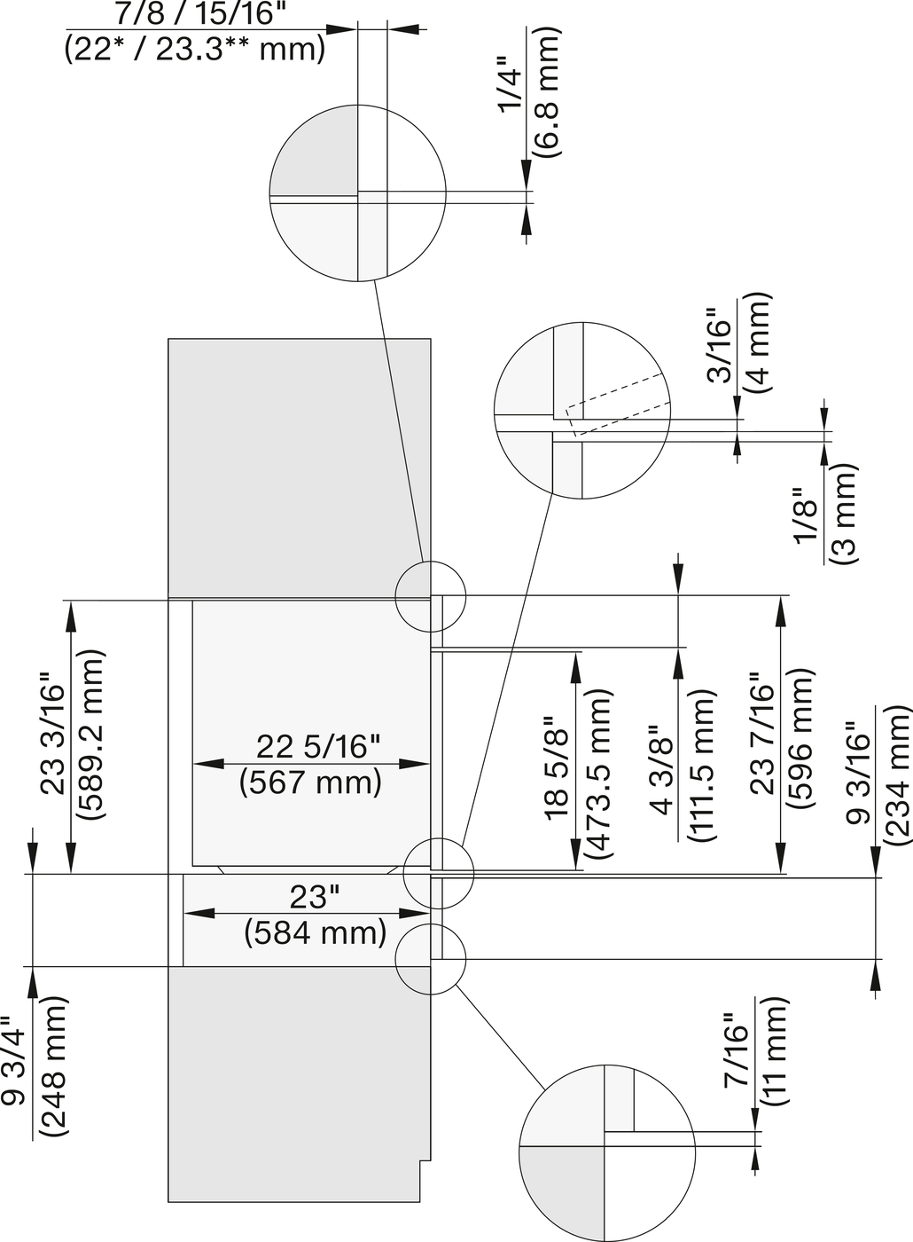
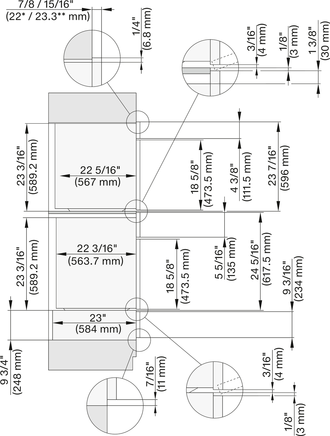
Ширина ніші (см) | 56-56,8 |
Висота ніші (см) | 59,0-59,5 |
Глибина ніші (см) | 55 |
Габарити
Вага (кг) | 46 |
Ширина приладу (см) | 59,5 |
Висота приладу (см) | 59,5 |
Глибина приладу (см) | 57,3 |
Загальні параметри
Тип приладу | Вбудована комбінована парова шафа висотою 60 см |
Спосіб встановлення | Вбудований прилад |
Об'єм робочої камери (л) | 68 |
Кількість рівнів бічних напрямних | 4 |
Ціновой сегмент | Prestige |
Режими роботи
Автоматичні програми | Так |
Приготування на пару | Так |
Комбінований режим | Так |
Підігрів тарілок | Так |
Підігрів їжі | Так |
Підігрів | Так |
Sous-vide | Так |
ECO приготування з парою | Так |
Конвекція | Так |
Комбінований режим з конвекцією | Так |
Комбінований режим з конвекцією + | Так |
Комбінований режим з грилем | Так |
ECO, Гриль | Так |
ECO обдув + | Так |
Обдув + | Так |
Комбінований режим з обдув + | Так |
Комбінований режим із традиційним нагрівом | Так |
GourmetRoast | Так |
Cake + | Так |
Традиційний нагрів | Так |
Конвекція + | Так |
Верхній / Нижній жар | Так |
Гриль | Так |
Гриль з обдувом | Так |
Інтенсивне випікання | Так |
Розморожування | Так |
Конвекція з парою | Так |
Спеціальні програми | Так |
Керування
Індикація завершення програми | На дисплеї / зумер |
Тип керування | M Touch |
Параметри економічності та енергоефективності
Загальна споживана потужність (кВт) | 3,45 |
Клас енергоспоживання | A+ |
Зручність в користуванні
Підсвічування BrilliantLight | Так |
Touch2Open | Так |
MotionReact: при виявленні руху спалахує світло | Так |
MotionReact: при виявленні руху вмикається дисплей | Так |
Вибір мови | Так |
MyMiele | Так |
MotionReact: датчик на панелі приладу | Так |
SoftClose | Так |
SoftOpen | Так |
Таймер | Так |
Поліфонічні звукові сигнали | Так |
Функція "Довідка" | Так |
Sabbath | Так |
Термощуп | Так |
Об'єднання побутової техніки в мережу
Miele@home | Так |
WiFiConn@ct | Так |
MobileControl | Так |
VoiceControl | Так |
RemoteService | Так |
SuperVision | Так |
Аксесуари
Решітка PerfectClean | 1 |
Телескопічні направляючі FlexiClip PerfectClean | 1 пара |
Перфорована ємність з нержавіючої сталі | 2 |
Ємність з нержавіючої сталі | 1 |
Миючий засіб HydroCleaner | Так |
Таблетки для видалення накипу | 2 |
Телескопічні направляючі FlexiClip | 1 пара |
Деко для випікання PerfectClean | Ні |
Універсальне деко PerfectClean | 1 |
Догляд
Зручні програми чищення | Так |
Камера Духової шафи з нерж.стали | Так |
Програма "Замочування" | Так |
З'ємні бічні стійки | Так |
З'ємні бокові решітки | Так |
Програма сушіння камери | Так |
Програма полоскання камери | Так |
HydroClean | Так |
Нижній підігрів для зменшення конденсату | Так |
Відкидний елемент гриля | Так |
Дверцята зі склом CleanGlass | Так |
Автоматичне очищення від накипу | Так |
Безпека
Блокування сенсора | Так |
Система парового охолодження | Так |
Блокування системи | Так |
Холодний фронт | Так |
Блокування запуску | Так |
Захисне відключення | Так |

Решітка для випічки і смаження для духових шаф HBBR 71

Таблетки для очищення від накипу, 6 шт.

HBD 60-35 Кришка для дека

HEG Ручка для дека

HBD 60-22

HKL 60 чорна

Деко HUBB 71

HBB 71

Форма для випічки HBF 27-1

HFC 71 Телескопічні напрямні

Засіб для чищення HydroCleaner 4 х125 мл

HUB 5000 M Деко

HUB 5001-M Деко

HUB 5001-XL Форма універсальна для запікання, Perfect Clean

Перфорований лоток DGGL 20

Універсальна серветка з мікрофібри, 1 шт

HGBB 71 вставка для смаження та готування на грилі